1. 서 론
2. 수치해석 기반 역해석 절차 및 입력 정수 산정
2.1 수치해석 프로그램
2.2 역해석 대상 현장 및 모델링
2.3 역해석에 적용한 설계 정수
2.4 역해석 절차 및 결과
3. 지진 안정성 분석을 위한 수치해석 조건
3.1 해석 모델 및 경계조건
3.2 지반 및 강재정수
3.3 해석에 적용한 지진파 특성
3.4 수치해석 수행 절차
4. 지진 안정성 분석 결과
4.1 수평변위 결과
4.2 성토고에 따른 해석결과 분석
5. 결 론
1. 서 론
최근 도시화 및 교통 인프라 확장에 따라 도로 선형 개선, 교차로 입체화, 기존 도로의 확폭 및 선형 개량을 위한 도로성토 공사가 빈번하게 수행되고 있다. 이러한 도로성토 공사는 지표면의 고저차를 극복하고 교통시설의 연속성을 확보하는 데 필수적이며, 성토부의 안정성은 포장 구조의 장기 공용성과 직접적으로 연관된다. 특히 성토 과정에서 발생할 수 있는 측방 유동과 변형을 억제하기 위해 다양한 형식의 흙막이 구조물이 도로공사 현장에서 널리 활용되고 있다. 흙막이 구조물은 성토 시 노체의 측방 변형을 제어하고 구조적 안정성을 확보하는 핵심 요소로 작용한다.
일반적으로 흙막이 구조물은 굴착 시 주변 지반의 붕괴를 방지하고, 지하수 및 외력에 저항하기 위한 목적으로 사용되어 왔으며, 벽체 형식에 따라 H-Pile 흙막이, 널말뚝, 주열식 말뚝공법(C.I.P, S.C.W), 지하연속벽(Diaphragm Wall) 등 다양한 공법이 적용되고 있다. 그러나 이러한 공법은 주로 굴착 안정성 확보를 목적으로 설계되어 왔으며, 벽체의 안정성을 향상시키기 위해 지보재를 사용하는 경우 시공 공간의 제약, 공정 간섭 및 도로 시공 효율 저하 등의 단점이 발생할 수 있다. 이러한 한계로 인해, 최근에는 도로성토 및 노체 안정 확보에 적합한 자립식 흙막이 공법에 대한 관심이 증가하고 있다. 자립식 흙막이 공법 중 IER(Inclined Earth Retaining) 공법은 흙막이 벽체 배면에 억지말뚝을 경사지게 설치하여 벽체에 작용하는 토압을 효과적으로 억제함으로써, 성토 시 발생하는 변위와 구조적 부담을 저감하는 특징을 갖는다. 이러한 변위 억제 효과로 인해 IER 공법은 도로성토공사에서 노체 안정성을 확보하고, 포장 하부 구조의 변형을 최소화할 수 있는 공법으로 평가되고 있다.
한편, 흙막이 구조물은 일반적으로 단기 가설 구조물로 간주되어 구조적 응력 검토 또는 시공 후 변위 계측에 의존하는 설계 관행이 일반적이었다. 그러나 대심도 구조물의 장기 존치 사례가 증가하고 국내 지진 발생 빈도가 증가함에 따라, 도로공사에 적용되는 가설 흙막이 구조물이라 하더라도 내진 성능에 대한 검토 필요성이 제기되고 있다. 국내 가설구조물 설계기준(Ministry of Land, Infrastructure and Transport, 2022a, 2022b)에서는 현장 여건에 따라 지진하중을 고려할 수 있도록 규정하고 있으나, 재현주기 설정이나 해석 절차에 대한 구체적인 기준은 제시되어 있지 않다. 반면, 호주의 AS 1170.4(2007), 뉴질랜드의 NZS 1170.5(2004), 일본의 Japan Road Association(1999) 등에서는 허용응력 상향, 재현주기 설정, 수치해석 기반 검토방식 등 구체적 절차가 규정되어 있으며 가시설물의 중요도에 따라 내진 설계를 명확히 요구하고 있다.
이러한 국내외 설계 기준의 미비점을 보완하고자, 가시설을 대상으로 한 내진 성능 관련 연구가 지속적으로 수행되어 왔다. Okamoto et al.(1973)은 지하 구조물의 내진 거동이 구조물 자체의 강성보다는 지반의 변형 특성에 의해 지배됨을 강조하며, 지반-구조물 상호작용을 고려한 해석의 중요성을 최초로 제시하였다. Park et al.(2010)은 2차원 동적 수치해석과 응답변위법을 비교하여, 상대변위 기반 정적해석 결과가 실제 구조 응답과 유사한 경향을 보임을 확인하였다. You et al.(2018)은 복합 지하공간 구조물을 대상으로 지반-구조물 상호작용을 포함한 내진 해석을 수행하여, 지하 구조물이 경우에 따라 지상 구조물보다 지진에 더 취약할 수 있음을 지적하였다. 한편, 흙막이 구조물에 대한 내진 거동 연구도 점차 확대되고 있다. Yang et al.(2021)은 대심도 흙막이 구조물을 대상으로 한 수치해석을 통해, 지진 작용 시 벽체 휨모멘트와 지보재 축력이 정해석 결과 대비 각각 최대 98%와 87%까지 증가함을 확인하며, 가시설물에 대한 내진 성능 검토의 필요성을 강조하였다. 윤종석 등(2022)은 최대 굴착심도 50 m 규모의 대심도 가설 흙막이 벽체를 대상으로 동적 원심모형실험을 수행하고, 재현주기 100년, 1,000년, 2,400년 지진하중 조건에서 가속도 응답, 휨모멘트 및 축력의 변화를 분석하여, 대심도 가시설의 지진 시 거동 특성과 설계 시 고려사항을 제시하였다. 또한 유상화 등(2023)은 FLAC 2D를 이용하여 Semirigid, Wood, Mononobe-Okabe 방법에 따른 등가정적해석 결과를 시간이력해석 결과와 비교・검증하였으며, 변위가 벽체 높이의 0.4% 이하인 Stiff wall 조건에서는 Semirigid 방법이 가장 합리적으로 모멘트를 예측할 수 있음을 보고하였다.
기존 연구에서는 주로 굴착공사에 적용되는 흙막이 구조물을 대상으로 지진 시 거동을 분석한 사례가 대부분이며, 도로성토공사에 적용되는 흙막이 구조물의 내진 거동을 체계적으로 검토한 연구는 상대적으로 제한적인 실정이다. 특히 도로성토부는 노체 안정성 및 포장 하부 구조의 거동과 직접적으로 연계됨에도 불구하고, 지진 작용을 고려한 흙막이 공법별 응답 특성에 대한 연구는 충분히 이루어지지 않았다. 따라서 도로성토 조건에서 흙막이 구조물의 지진 응답 특성을 분석하고, 공법별 안정성과 구조적 효율성을 비교・평가할 필요가 있다.
본 연구에서는 도로성토공사에 적용되는 IER(Inclined Earth Retaining) 공법과 일반적인 H-Pile 흙막이 공법을 대상으로 수치해석을 수행하여, 지진 작용 시 성토부 및 흙막이 구조물의 거동 특성을 비교・분석하였다. 이를 통해 도로성토 및 포장 하부 구조의 안정성 확보 측면에서 IER 공법의 내진 성능과 적용성을 평가하고, 향후 도로 성토부 흙막이 구조물의 합리적인 공법 선정에 대한 기초 자료를 제시하고자 한다.
2. 수치해석 기반 역해석 절차 및 입력 정수 산정
IER 공법의 지진 시 안정성 경향을 분석하기 위해, 본 연구에서는 성토재 지반정수를 수치해석 기반으로 산정하고자 역해석을 수행하였다. 이를 통해 현장 조건을 합리적으로 반영한 지반 물성치를 도출하고, 이후 지진 응답 해석에 적용하였다.
2.1 수치해석 프로그램
본 연구에서는 지반과 구조물 간 상호작용을 고려한 지진 시 거동을 정밀하게 분석하기 위해 Itasca사에서 개발한 FLAC 2D(ver. 8.1)를 사용하였다. FLAC 2D는 2차원 평면변형률 조건 하에서 동적 비선형 해석이 가능한 프로그램으로, 양해법(Explicit method)을 기반으로 계산을 수행한다. 계산 시간이 비교적 길다는 단점이 있으나, 지진과 같은 비정상 상태 하중 조건에 대해 안정적인 해석 결과를 도출할 수 있는 장점을 가진다(이진선 등, 2019; Dokainish and Subbaraj, 1988; Itasca Consulting Group, 2016).
또한, FLAC 2D는 인터페이스(interface) 요소를 통해 지반과 구조물 간의 마찰 및 접촉 거동을 정밀하게 모사할 수 있으며, 지반 재료의 비선형 거동을 고려한 다양한 구성모델을 제공함으로써 토질의 비선형적 특성 구현에 유리하다(Boulanger and Ziotopoulou, 2017). 이러한 특성으로 인해 FLAC은 다양한 지반 구조물의 내진 해석에 폭넓게 활용되어 왔다. 양의규 등(2021)은 대심도 흙막이 구조물을 대상으로 FLAC을 이용한 지진 시 위험성 평가를 수행하여 비선형 지반 거동 및 인터페이스 요소의 적용성을 검토하였다. Tran et al.(2017)은 일본 다카하마 부두를 사례로 비배수 조건 하에서 비선형 유효응력 해석을 수행하여 지반 액상화와 구조물 거동 간의 상관관계를 분석하고, FLAC의 해석 가능성을 입증하였다. 또한 Kim et al.(2013)은 NATM 터널의 내진 안전성을 FLAC 기반 해석으로 평가하여 지진 시 변위, 축력 및 단면력 분포 등 구조적 응답을 정량적으로 제시하였다. Lee and Noh(2016)은 1995년 고베 지진으로 피해를 입은 케이슨 안벽의 거동을 수치해석으로 재현하고, 실제 피해 사례와 유사한 결과를 도출함으로써 FLAC의 현장 적용성과 신뢰성을 확인하였다. 이와 같이 FLAC은 반복하중, 액상화, 지반-구조물 상호작용, 터널 내공 변형 및 지보재 응력 해석 등 복합적인 지반-구조물 시스템을 통합적으로 모사할 수 있는 장점을 지니고 있어, 지반의 비선형성과 구조물 상호작용이 동시에 고려되는 IER 공법의 해석에 적합한 수치해석 도구로 판단된다.
2.2 역해석 대상 현장 및 모델링
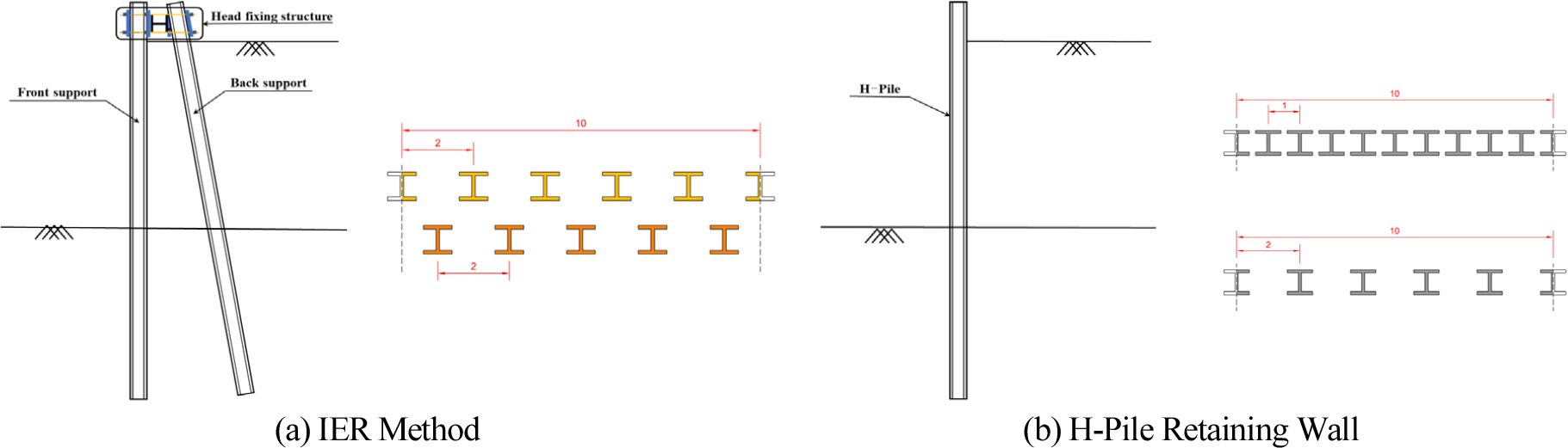
역해석에 적용한 현장은 동대구선 복선전철화 사업 구간에서 수행된 현장 시험 사례로, 해당 시험 결과를 활용하였다(한국철도시설공단, 2010). Fig. 1(a)는 현장 시험 전경으로, IER 공법의 전면지주, 배면지주 및 두부 연결체의 설치 형상을 확인할 수 있다. 현장 시험 조건 중 전면지주와 배면지주가 각각 2 m 간격으로 지그재그 형태로 설치된 조건을 역해석에 적용하였다. Fig. 1(b)는 역해석을 위해 구성한 수치해석 단면을 나타낸 것이다. 지반 조건은 상부 약 2.0 m 구간에 점토가 혼합된 자갈층(GC)이 분포하고, 그 하부에는 연암층(Soft Rock)이 존재하는 것으로 모델링하였다. 성토재는 파쇄 암석(Muck)을 사용하였으며, 성토는 최대 4.5 m까지 단계적으로 수행된 것으로 가정하였다. 성토 상부에는 복선 철도 설비(침목, 레일 등)에 의한 상재하중을 고려하여 50 kN/m2의 등분포 하중을 적용하였다.
2.3 역해석에 적용한 설계 정수
역해석에 적용한 지반 정수는 Table 1과 Table 2에 정리하여 제시하였다. 지반의 분류 및 기본 지반 정수는 설계 자료와 현장 지반조사 보고서에 제시된 값을 그대로 적용하였다(Korea Rail Network Authority, 2010). 한편, 성토재로 사용된 암버력의 변형계수는 현장 계측 결과를 기반으로 한 역해석을 통해 산정하였다. 이를 위해 현장 시험 결과 중 상재하중 재하 전후에 발생한 수평 변위 차이 7.1 mm를 기준 값으로 활용하였다. 구조물은 단면 300 × 300 × 10 × 15 mm의 H-Pile로 구성되며, 수치해석에서는 빔 요소(beam element)를 사용하여 모델링하였다. 전면지주와 배면지주는 각각 5°의 경사각을 갖는 대칭 형상으로 배치하였으며, 강재의 탄성계수는 210,000 MPa로 적용하였다. 지주 간 간격은 2.0 m로 설정하였고, 이에 따른 축강성(EA)은 1,257,900 kN/m, 굽힘강성(EIx)은 21,420 kN・m2/m로 산정하였다. 또한 두부 연결체의 경우 축강성(EA)은 2,515,800 kN/m, 굽힘강성(EIy)은 14,175 kN・m2/m의 값을 적용하였다. 지반과 구조물 간의 상호작용을 고려하기 위해 경계면에는 인터페이스의 법선 및 전단 강성(kn, ks) 요소를 적용하여 분리(opening) 및 미끄러짐(slip) 거동을 모사하였다. Hatami and Bathurst(2000)는 지반-구조물 경계면에서 발현되는 전단 저항이 지반 내부 강도보다 작게 나타날 수 있음을 고려하여, 인터페이스 전단강도 정수를 지반 강도정수(φ, c)로부터 감소계수(reduction factor) 형태로 환산하여 적용하는 방법을 제시하였다. 따라서 본 연구에서는 마찰각은 해당 지반층 마찰각의 2/3, 점착력은 절반 수준으로 설정하여, 지반층별 인터페이스 강도정수를 산정하였다. 인터페이스의 법선 및 전단 강성(kn, ks)은 식 (1)을 기반으로 산정하였으며, 최소 지반 요소 폭 Δzmin = 0.4 m를 기준으로 적용하였다.
여기서, K : 체적탄성계수, G : 전단탄성계수, △zmin : 구조요소와 인접한 지반 최소 폭이다.
Table 1.
Ground parameters used for back-analysis
Table 2.
Interface properties applied in the back-analysis (Hatami and Bathurst, 2000)
2.4 역해석 절차 및 결과
역해석은 FLAC에서 제공하는 기본 정적 해석 절차를 기반으로 수행되었으며, 암버력의 변형계수를 주요 변수로 설정하여 단계적으로 값을 조정하는 방식으로 진행하였다. 암버력의 초기 변형계수는 50,000 kN/m2로 설정하고, 포아송비는 0.25를 적용한 후 상재하중 재하 전・후에 발생하는 수평 변위 차이를 기준으로 변형계수를 변화시키며 해석을 수행하였다. 역해석은 성토 완료 이후 지주 상단부에서 발생한 최대 수평 변위가 7.135 mm로 도출된 시점에서 종료하였다. 해당 값은 현장 계측 결과인 7.1 mm와 매우 유사하여, 수치해석을 통해 도출된 역해석 결과가 현장 계측값을 합리적으로 재현하고 있음을 확인하였다. 이에 따라 최종적으로 산정된 암버력의 변형계수는 48,200 kN/m2로 결정하였다. 본 절에서 도출된 지반 및 구조물 정수는 3장에서 수행되는 지진 응답 해석의 입력 물성치로 적용하였다.
성토 완료 단계에서 현장 계측 변위와 수치해석 결과가 매우 근접하게 일치한 점은, 본 연구에서 적용한 역해석 기반 지반정수 산정 절차가 해당 현장의 거동 특성을 합리적으로 반영하고 있음을 의미한다. 특히 관측된 변형 수준이 비교적 작다는 점을 고려할 때, 본 역해석 결과는 지반의 초기 강성 특성을 적절히 반영한 것으로 판단된다.
다만 본 검증은 단일 현장 및 제한된 계측 지표를 기반으로 수행되었으므로, 지반 물성의 공간적 변동성, 계측 위치 및 계측 오차, 배수 조건 변화 등에 따른 불확실성은 충분히 반영되지 못한 한계를 가진다. 따라서 본 연구에서 도출된 지반정수는 본 해석 조건 하에서의 대표값으로 해석되어야 하며, 다양한 현장 조건에 대한 추가적인 검증 연구가 향후 필요할 것으로 판단된다.
3. 지진 안정성 분석을 위한 수치해석 조건
3.1 해석 모델 및 경계조건
본 연구에서는 IER 공법의 구조 형식에 따른 지진 시 안정성 변화를 분석하기 위해, 일반적인 H-Pile 흙막이 공법과의 비교 수치해석을 수행하였다. 수치해석에 적용한 조건은 Table 3에 정리하였다. Table 3에 나타낸 바와 같이, 전면 벽체 설치 간격을 2 m로 하고 배면 지주를 설치한 IER 공법과 동일 간격의 H-Pile 흙막이를 비교하였으며, 단위 길이당 H-Pile 설치 개수가 동일한 조건을 고려하기 위해 설치 간격이 1 m인 H-Pile 흙막이도 추가하여 해석을 수행하였다. 2차원 평면변형률 해석의 특성상, IER 공법의 배면 지주는 성토고와 무관하게 길이 7 m로 적용한 반면, H-Pile 흙막이는 전면 벽체의 근입 깊이를 동일하게 적용하였다. 이로 인해 단위 길이당 H-Pile의 수는 동일하나, H-Pile 흙막이의 전체 강성은 IER 공법에 비해 다소 크게 모델링되었다. 해석 지반은 연암 지반과 성토체로 단순화하여 구성하였으며, 성토고는 3 m, 5 m, 7 m로 구분하여 다양한 성토고 조건에서 벽체의 거동과 H-Pile 내력 변화를 정량적으로 분석하고자 하였다(Table 3 참조). 본 연구는 도로 성토 조건에서의 IER 형식과 H-Pile 형식의 지진 응답을 상대적으로 비교・평가하는 것을 주된 목적으로 하므로, 성토고는 비교 경향성을 관찰하기 위하여 단계형 파라미터로 설정하였다. Fig. 3은 성토고 5 m 조건에서의 IER 공법 수치해석 모델을 나타낸 것이다. 상재하중은 철도 시설물의 자중을 고려하여 사하중(dead load)으로 적용하였다. 수치해석 모델의 전체 크기는 가로 40 m, 높이 18.5 m로 구성하였으며, 사용된 유한차분 요소 수는 총 5,341개이다. 요소의 최소 대각 길이는 약 0.53 m로 설정하였다. 최소 전단파 속도는 150 m/s이며, 식 (1)에 따라 약 28 Hz 이하 주파수 성분에 대한 파동 전파 해석이 가능하여, 경주지진파의 적용에 충분한 해석 해상도를 확보하였다(이진선 등, 2019; Kuhlemeyer and Lysmer, 1973).
Table 3.
Analysis cases according to structural type and embankment height
| No | Case | Embankment Height (m) | H-Pile Installation Depth (m) | Inclination angle of H-Pile (°) | c.t.c (m) | |||
| Front | Back | Front | Back | |||||
| 1 | I_E3_2* | 3.00 | 7 | 7 | 0 | 5 | 2.00 | |
| 2 | H_E3_2 | 7 | - | 0 | - | 2.00 | ||
| 3 | H_E3_1 | 7 | - | 0 | - | 1.00 | ||
| 4 | I_E5_2 | 5.00 | 9 | 7 | 0 | 5 | 2.00 | |
| 5 | H_E5_2 | 9 | - | 0 | - | 2.00 | ||
| 6 | H_E5_1 | 9 | - | 0 | - | 1.00 | ||
| 7 | I_E5_2 | 7.00 | 11 | 7 | 0 | 5 | 2.00 | |
| 8 | H_E5_2 | 11 | - | 0 | - | 2.00 | ||
| 9 | H_E5_1 | 11 | - | 0 | - | 1.00 | ||
정적 해석 단계에서는 자중 및 상재하중에 대한 정적 평형 상태를 확보하기 위해 모델 하부 경계를 수직 및 수평 방향으로 구속하고(Fig. 1 참조), 좌・우 측면 경계에는 수평 변위를 구속하는 횡방향 경계조건을 적용하였다. 이후 동적 해석 단계에서는 구조물이 존재하지 않을 때의 자유장 운동을 모사하고 경계에서 발생하는 반사파를 최소화하기 위해 좌・우 측면 경계에 free-field 경계조건을 적용하였다. 이러한 경계조건 설정 방식은 Itasca 동적 해석 매뉴얼 및 기존 옹벽 내진해석 연구에서 제시된 권장 절차와 동일하다(Kuhlemeyer and Lysmer, 1973; Itasca Consulting Group, 2016; Koutsoupaki et al., 2023). 입력 지진파는 해석 단면의 최하단에 입력하였으며, 가속도 시간이력을 직접 재하할 수 있도록 강성 암반 경계조건을 적용하였다. 다만, 강성 암반 경계조건은 반무한 탄성 암반 경계조건에 비해 수치해석 결과와 계측 기록 간의 차이로 인한 오차가 누적될 수 있다는 한계를 가진다(Mejia and Dawson, 2006).
3.2 지반 및 강재정수
3.2.1 지반정수
동적해석에 사용된 지반정수는 Table 4에 정리하였으며, 지반의 전단탄성계수 및 감쇠비는 지진 하중 작용 시 발생하는 전단 변형률 수준에 따른 비선형 거동을 모사하기 위해, FLAC에 내장된 정규화 전단탄성계수 곡선(G/Gmax)과 hysteretic damping 곡선을 기반으로 한 정규화 fitting curve 중 sig.4 함수를 적용하였다. 연암층에는 Schnabel and Seed(1973)의 곡선을, 암버력에는 Rollins et al.(1998)의 곡선을 적용하여 지반의 비선형 거동을 반영하였다(Fig. 3 참조). 비선형 시간이력 해석의 특성상, 저변형률 구간에서 최소 감쇠비가 충분히 발현되지 않는 문제가 발생할 수 있으므로 이를 보완하기 위해 Rayleigh 감쇠를 추가로 적용하였다. 이에 따라 전단 변형률의 영향을 받지 않는 최소 감쇠비는 5%로 일률 적용하였다(이진선 등, 2019). 본 연구에서는 암버력(muck) 및 연암(soft rock)을 포함한 암반 지반의 최소 감쇠비를 5%로 가정하였다.
Table 4.
Ground properties used in Nnumerical analysis
| Soil type |
Unit Weight (kN/m3) |
Cohesion (kN/m2) |
Shear resistance angle φ (°) |
Young’s modulus (kN/m2) |
Poisson’s ratio (µ) |
| Muck | 24.6 | 0 | 37 | 48,200 | 0.25 |
| Soft Rock | 23.0 | 500 | 30 | 4,000,000 | 0.24 |
기존 연구에 따르면 암반의 동적 감쇠비는 암석 종류, 절리 발달 정도 및 손상 수준에 따라 약 1-3%에서 8-10% 범위까지 변화할 수 있으며(Jbara et al., 2024), 수치해석 실무에서는 일반적으로 2-5% 범위가 사용되고 그 상한값인 5%가 대표값으로 채택되는 경우가 많다. Kong et al.(2019)은 암반의 감쇠비를 2-5% 범위로 제시하고 국부 감쇠(local damping)로 5%를 사용하였으며, Rehman et al.(2024) 역시 암반 및 구조부 재료의 Rayleigh 감쇠비를 5%로 설정하면서 이를 수치해석에서 가장 일반적으로 사용되는 값으로 언급하였다. 국내 연구에서도 연암 및 절리 암반의 등가 감쇠비가 수 % 수준으로 제시된 바 있다(김낙영 등, 2015; Chong et al., 2014). 이에 본 연구에서는 선행연구 결과와 수치해석 관행을 종합적으로 고려하여 muck 및 soft rock에 대해 최소 감쇠비 5%를 적용하였다.
3.3.2 강재정수
강재 정수는 Table 5에 정리하여 제시하였다. 적용 강재는 단면 300 × 300 × 10 × 15 mm의 H-Pile을 사용하였으며, 강재의 탄성계수는 210,000 MPa로 적용하였다. 본 연구는 2차원 평면변형률 해석을 기반으로 수행되므로, 강재의 설계 정수는 탄성계수에 단면적 및 단면 2차모멘트를 곱한 후 설치 간격으로 나누어 단위 폭당 강성으로 환산하여 적용하였다.
Table 5.
Structural steel properties used in the analysis
| c.t.c (m) | EA (kN/m) | EIx (kN・m2/m) | EIx (kN・m2/m) |
| 1 | 2,515,800 | 42,840 | 14,175 |
| 2 | 1,257,900 | 21,420 | 7,088 |
이중 지주 형식의 경우, 두부에 적용된 띠장(wale)은 y축 방향에 대한 굽힘강성을 추가로 고려하였다. 이때 설치 간격은 1 m로 설정하고 축강성(EA)은 동일하게 유지하였으며, 굽힘강성(EIy)은 14,175 kN・m2/m를 적용하였다. 상기에 언급한 바와 같이 지반-구조물 상호작용을 고려하기 위해 인터페이스 요소를 적용하여, 지반과 구조물 간의 분리 및 미끄러짐 거동이 발생할 수 있도록 모사하였다.
3.3 해석에 적용한 지진파 특성
해석에 사용된 입력 지진파는 2016년 9월 12일 발생한 경주지진으로, MKL 관측소에서 계측된 가속도 기록을 활용하였다. 경주지진의 규모는 Mw 5.8, 진앙거리 약 5.9 km이며, 최대지반가속도(PGA)는 0.285 g로 보고되었다. 계측된 지진파의 가속도 시간이력과 주파수 분석 결과는 Fig. 4에 제시하였다. Fourier 변환 결과, 해당 지진파는 약 3.4 Hz의 지배 주파수를 가지며, 10 Hz 내외의 고주파 성분이 우세한 것으로 나타났다. 또한 진동 지속시간이 짧고 고주파 성분이 강한 특징을 갖는 지진으로 분류된다. 이러한 특성은 일반적으로 고층 구조물보다는 저층 구조물에서 상대적으로 큰 동적 응답을 유발할 수 있으며, IER 공법에 적용되는 길이 10-15 m 수준의 H-Pile 지주와 같은 단주 구조물에 보다 불리한 조건으로 작용할 수 있다. 따라서 본 연구에서는 구조물의 형상 특성과 지진파의 주파수 특성이 부합하는 경주지진을 해석용 입력 지진파로 채택하였다. 다만 단일 지진기록 적용은 지배주파수, 지속시간, 스펙트럼에 따른 형상 차이에 따른 응답 변동성을 충분히 반영하지 못하는 한계가 있다. 따라서 본 연구 결과는 동일 입력지진 하에서의 상대 비교 결과로 해석되어야 하며, 향후 다양한 입력지진과 지진력의 수준에 따른 추가 분석이 필요할 것으로 보인다.
3.4 수치해석 수행 절차
수치해석은 정적 평형(초기응력) 확보 후 동적 시간이력 해석을 수행하는 단계로 구성하였다. 해석 영역 설정 및 메쉬(mesh) 생성, 자중 및 상재하중에 의한 정적 평형 확보 등 기본 절차는 역해석 절(2.3절)과 동일하며, 정적 해석 단계의 모델 구성 및 경계조건은 Fig. 5에 제시하였다. 정적 평형이 확보된 후에는 자유장 경계조건(free-field boundary)을 적용하고, 하부 경계면에 입력 지진파를 재하하여 시간이력 해석을 수행하였다. 결과 평가는 벽체 상단부 수평변위(최대 및 잔류변위)와 지주 내부력(축력・전단력・휨모멘트 최대값)을 지표로 하여 성토고 및 구조 형식에 따른 응답 차이를 비교・분석하였다(Table 3 참조).
4. 지진 안정성 분석 결과
4.1 수평변위 결과
수치해석 결과는 Table 6, Table 7 및 Fig. 6에 정리하였다. Table 6은 전면 벽체 상단에서 발생한 잔류 수평변위를 나타낸 것으로, 해석 종료 시 수렴한 값을 기준으로 정의하였다. 수평변위의 부호는 벽체를 기준으로 성토체 방향을 양(+)으로, 반대 방향을 음(-)으로 정의하였다. Fig. 6은 지진 작용 시 발생한 수평변위의 시간이력 응답을 나타낸 것이며, Table 7은 정적 해석과 동적 해석에서 발생한 내력(축력, 전단력, 휨모멘트)의 최대값을 비교하여 정리한 것이다.
Table 6.
Ultimate uplift capacity in each experimental condition
| Case | Description | Lateral displacement (mm) |
| 1 | I_E3_2 | -5.755 |
| 2 | H_E3_2 | -10.328 |
| 3 | H_E3_1 | -5.722 |
| 4 | I_E5_2 | -35.759 |
| 5 | H_E5_2 | -66.952 |
| 6 | H_E5_1 | -36.477 |
| 7 | I_E7_2 | -63.608 |
| 8 | H_E7_2 | -147.66 |
| 9 | H_E7_1 | -117.59 |
Table 7.
Comparison of maximum Internal Forces and Moments(Static vs Dynamic)
4.2 성토고에 따른 해석결과 분석
해석 결과 분석은 수평변위 및 부재 내력 응답을 기준으로 수행하였다. 비교 지표로는 수평변위비, 수평변위 감소율 및 내력 증가율을 사용하였으며, 각각 식 (2), (3), (4)를 이용하여 산정하였다.
4.2.1 성토고 3 m 해석결과 분석
성토고 3 m 조건에서의 수평변위 및 부재 내력 비교 결과를 Table 8 및 Table 9에 정리하였다. Table 8에 따르면 IER 공법(Case 1)의 수평변위는 동일 간격의 H-Pile 흙막이(Case 2)에 비해 44.28% 감소한 것으로 나타났으며, H-Pile 간격을 1 m로 축소한 경우(Case 3)와는 유사한 수준의 변위를 보였다. 내력 분석 결과(Table 9), IER 형식은 정적 해석 기준에서 모든 내력 항목에 대해 가장 낮은 응답을 나타내었으며, 이는 배면 지주에 의한 하중 분산 효과에 기인한 것으로 판단된다. 한편, 동적 해석 적용 시 IER 형식의 내력 증가율은 다른 형식에 비해 상대적으로 크게 나타났으나, 절대 내력 값은 여전히 가장 낮은 수준을 유지하였다. 이는 지진 작용 시 구조 내부 응력 집중은 다소 증가하나, 전체적인 구조 응답 수준은 안정적으로 유지됨을 의미한다. 이러한 결과는 성토고가 낮은 조건에서는 지주 간격이 주요 설계 변수로 작용하며, 구조 형식에 따른 차이는 상대적으로 제한적임을 시사한다. 특히 IER 형식은 동적 조건에서도 안정적인 응답을 보여 구조적 효율성이 높은 형식으로 평가된다.
Table 8.
Analysis of residual horizontal displacement for 3 m embankment height
Table 9.
Analysis of residual horizontal displacement for 3 m embankment height
4.2.2 성토고 5 m 해석결과 분석
성토고 5 m 조건에서는 수평변위 및 내력 응답이 성토고 3 m 조건에 비해 전반적으로 증가하였으며, 구조 형식 간 차이도 보다 명확하게 나타났다. 동일 간격 조건에서 H-Pile 흙막이는 IER 형식에 비해 현저히 큰 수평변위를 보였으며(Table 10 참조), 이는 IER 형식이 수평변위 억제 측면에서 보다 효과적인 구조 형식임을 의미한다. H-Pile 설치 간격을 1 m로 축소한 경우(Case 6), 수평변위는 IER 형식(Case 4)과 유사한 수준으로 감소하였으나, 동일 간격 조건에서 IER 형식은 H-Pile 흙막이(Case 5) 대비 약 46.59%의 변위 감소 효과를 나타내어 성토고 3 m 조건과 유사한 경향을 보였다.
Table 10.
Analysis of residual horizontal displacement for 5 m embankment height
내력 분석 결과(Table 11), 정적 해석 기준에서는 IER 형식이 모든 내력 항목에서 가장 낮은 응답을 보였다. 동적 해석에서는 지진하중에 따른 응답 증가가 전반적으로 크게 나타났으나, IER 형식은 다른 형식에 비해 상대적으로 낮은 절대 내력 값을 유지하였다. 이는 IER 형식이 구조물의 전체적인 지진 안정성 측면에서 유리한 거동을 보이는 형식임을 시사한다.
Table 11.
Analysis of residual horizontal displacement for 5 m embankment height
4.2.3 성토고 7m 해석결과 분석
성토고 7 m 조건에서는 수평변위 및 내력 응답이 가장 크게 나타났으며, 특히 H-Pile 흙막이의 응답 증가폭이 두드러졌다. Table 12에 나타난 바와 같이, 동일 간격 조건에서 IER 형식은 H-Pile 형식에 비해 현저히 작은 수평변위를 보였으며, 수평변위 억제 효과가 가장 우수한 것으로 분석되었다. 또한 단위 길이당 동일한 H-Pile 수를 적용한 경우(Case 9)에도 IER 형식이 더 낮은 변위 응답을 나타냈다.
Table 12.
Analysis of residual horizontal displacement for 7 m embankment height
내력 분석 결과(Table 13), 정적 해석 기준에서 IER 형식은 성토고 7 m 조건에서도 가장 낮은 내력을 보였으며, 동적 해석 적용 시에도 내력 증폭률은 비교적 완만한 증가 경향을 나타냈다. 반면 H-Pile 흙막이는 설치 간격을 축소하더라도 휨모멘트 및 전단력에서 높은 응답을 유지하였으며, 이는 해당 구조 형식이 지진 작용에 대해 상대적으로 민감한 구조적 특성을 가짐을 의미한다.
Table 13.
Analysis of residual horizontal displacement for 7 m embankment height
종합적으로, 성토고 7 m 조건에서도 IER 형식은 수평변위 및 내력 측면 모두에서 가장 안정적인 거동을 유지하였으며, 지진 안전성 확보를 위한 효율적인 흙막이 구조 형식으로 평가된다.
4.2.4 성토고 변화에 따른 비교 및 분석
본 절에서는 성토고 3 m, 5 m, 7 m 조건에서 도출된 결과(4.2.1~4.2.3 참고)를 바탕으로 공법별 지진 응답 특성을 종합적으로 비교하였다. 성토고 3 m 조건에서는 외력 수준이 상대적으로 작아 구조 형식 간 수평변위 및 내부력 차이가 제한적으로 나타났으나, 성토고가 5 m 및 7 m로 증가함에 따라 공법별 응답 차이가 뚜렷해지는 경향을 보였다. 특히 H-pile 형식은 성토고 증가에 따라 수평변위와 휨모멘트・전단력 등의 내부력 응답이 IER 형식 대비 더 민감하게 증가하여, 성토고가 커질수록 공법 간 성능 차이가 확대되는 특징이 확인되었다.
지주 간격 변화의 영향 측면에서, H-pile 형식은 지주 간격을 2 m에서 1 m로 축소할 경우 수평변위가 감소하는 경향을 보였으나, 내부력 수준(특히 휨모멘트 및 전단력)은 상대적으로 크게 유지되는 특성이 나타났다. 이는 지주 간격 축소가 변위 억제에는 유효할 수 있으나, 구조물 내부 응답의 저감 효과가 동일한 비율로 동반된다고 보기 어렵다는 점을 시사한다. 반면 IER 형식은 모든 성토고 조건에서 수평변위와 절대 내부력 응답이 비교적 작게 나타났으며, 성토고 증가에도 불구하고 동적 증가율이 상대적으로 완만하여 지진 작용에 대한 안정적인 응답 특성을 보였다.
종합하면, 성토고 조건이 증가할수록 공법별 응답 차이가 확대되는 경향이 확인되며, 도로 성토 조건의 내진 설계에서는 성토고뿐 아니라 흙막이 구조 형식 및 지주 간격을 함께 고려하여 변위 기준과 내부력 기준을 동시에 만족하도록 검토할 필요가 있다. 본 연구의 비교 결과는 공법 선정 및 설계 판단 시 성토고 변화에 따른 응답 민감도와 공법별 거동 특성을 제시하는 기초 자료로 활용될 수 있다.
5. 결 론
본 연구에서는 FLAC2D를 활용하여 도로 성토공사에 적용되는 IER 공법과 일반적인 H-Pile 흙막이를 대상으로 지진 시 지반-구조물 거동을 수치해석적으로 분석하였다. 성토고 변화에 따른 수평변위 및 구조 내력 응답을 비교・평가한 결과, 다음과 같은 결론을 도출하였다.
1. 성토고 3 m 조건에서는 외력 수준이 비교적 작아 수평변위 및 내력의 절대적인 크기가 전반적으로 낮게 나타났으며, 구조 형식 간 응답 차이도 크지 않았다. IER 형식을 기준으로 동일 간격(2 m) 조건에서 H-Pile 형식은 약 79.5% 큰 수평변위를 보였고, 간격을 1 m로 축소한 H-Pile 형식은 IER 형식과 유사한 수평변위 수준을 나타냈다. 내력 증가율 측면에서는 IER 형식이 축력 187.7%, 전단력 60.5%, 휨모멘트 83.8%로 상대적으로 높은 값을 보였으나, 동적 해석 기준의 절대 내력 응답은 가장 낮아 지진 하중에 대해 안정적인 구조 형식으로 평가되었다.
2. 성토고 5 m 조건에서는 성토고 증가에 따라 구조 형식 간 응답 차이가 보다 명확하게 나타났다. IER 형식 대비 H-Pile 형식은 수평변위가 최대 1.87배 증가하였으며, 휨모멘트는 약 1.63~1.91배, 전단력은 최대 2.06배까지 증폭되었다. IER 형식의 내력 증가율은 축력 178%, 전단력 129%, 휨모멘트 74%로 나타났으나, 절대 내력 수준은 여전히 가장 낮아 지진 하중에 대한 상대적 안정성을 유지하는 것으로 분석되었다.
3. 성토고 7 m 조건에서는 전체 응답 수준이 가장 크게 증가하였고, 구조 형식에 따른 내력 차이도 뚜렷하게 나타났다. IER 형식은 단일 지주 형식 대비 수평변위에서 최대 2.32배의 차이를 보였으며, 내력 증폭비는 축력 1.83배, 전단력 1.50배, 휨모멘트 1.74배로 평가되었다. 다만 IER 형식의 정적 대비 동적 증가율은 축력 14.3%, 전단력 64.2%, 휨모멘트 51.5%로 비교적 완만하게 나타나, 성토고가 증가하더라도 지진에 대한 증폭 반응은 제한적인 반면 구조적 저항 성능은 안정적으로 유지되는 것으로 판단되었다.
4. 종합적으로, IER 형식은 지진 하중에 대한 내력 증가율은 상대적으로 클 수 있으나, 모든 성토고 조건에서 수평변위와 절대 내력 응답이 가장 작게 나타나 지진 안정성과 구조적 효율성 측면에서 가장 우수한 흙막이 형식으로 평가되었다. 반면 H-Pile 형식은 지주 간격을 축소하더라도 내부 내력 수준이 상대적으로 크게 유지되어, 수평변위 억제 효과에 비해 구조물 내부 응답이 크게 발생하는 특성을 보였다. 따라서 향후 도로 성토공사의 내진 설계 시에는 성토고 조건을 고려하여 흙막이 구조 형식과 지주 간격을 종합적으로 검토할 필요가 있으며, 본 연구 결과는 이러한 공법 선정 및 설계 판단을 위한 실무적 기초 자료로 활용될 수 있을 것으로 기대된다. 아울러 지진 후 성토부 잔류변위는 아스팔트 포장의 균열 및 단차 그리고 사용성 저하로까지 이어질 수 있으므로, 성토부 잔류변위와 포장 손상 지표를 연계한 후속 연구가 필요할 것으로 판단된다.
본 연구는 도로 성토 조건에서 IER 형식과 H-Pile 형식의 지진 응답을 수치해석적으로 비교・평가하여 공법별 거동 특성을 제시하였으나, 다음과 같은 한계를 가진다. 첫째, 입력지진은 제한된 조건에 기반하므로, 설계지진력, 지배주파수, 지속시간 등의 차이에 따른 응답 변동성을 충분히 반영하지 못하였다. 둘째, 지반을 연암 지반과 성토체로 단순화하여 모델링하였으므로, 실제 현장 조건에서 나타날 수 있는 층상 지반, 물성 불확실성 및 배수조건 변화에 따른 응답 차이는 추가 검토가 필요하다. 셋째, 흙막이 구조의 주요 설계변수인 배면 조건, 지주 길이비(지상부 돌출 길이 대비 근입 길이, 근입 깊이 변화)에 따른 영향은 본 연구에서 체계적으로 다루지 못하였다. 결과의 실증성 확보 측면에서 한계가 존재한다.








